Mega Drive Gun Adaptors
I have encountered some compatibility issues with the current Justifier adaptor design on certain models of Mega Drive and all of the American Laser Games titles.
If you choose to build the adaptor yourself then please be warned you may be disappointed!
This page will be updated with the improved designs when I have got to the bottom of these issues.
In the meantime, please check the journal for project updates.
The photo above shows a pair of adaptors that let you use the Sega Master System's Light Phaser with Sega Mega Drive games that would normally require the Sega Menacer or Konami Justifier.
The three types of gun work quite differently and games are generally only compatible with one particular type of gun and not the others. Of the three guns the Sega Light Phaser is the cheapest, simplest, and has the largest library of games available to it making it the best choice if you were to only buy one gun, in my opinion.
Due to the considerable differences between the Sega Menacer and Konami Justifier two different adaptors are required. Fortunately each adaptor only uses a couple of logic chips each along with a handful of passive components so they should be quite simple and inexpensive to build!
The adaptors have been tested on a combination of two different Mega Drive consoles (an original model and a Mega Drive 2), two different CRT TVs (a 21" flat CRT and a 14" spherical CRT) and two different Light Phasers. No difference in performance, accuracy or compatibility could be found between the different combinations so hopefully that means the circuits are quite robust. Unfortunately, I do not own a Mega CD so all of my testing has been with original Mega Drive games.
Contents
Sega Menacer
The Sega Menacer normally uses a wireless receiver and has three additional buttons on the front grip of the gun. The adaptor is designed to be a hand-held unit so that player has direct access to the three buttons.

Of course, you can choose any other sort of enclosure if you wish! I found this design quite practical as it could be held in my left hand with the Light Phaser held in my right. In one orientation all three buttons are in easy reach by three fingers and if flipped over the top two buttons are in range of your thumb. The bottom button is normally used to pause the game so doesn't need to be as easily accessible as the top two buttons.
US Patent 5,351,969 covers the Menacer and has a detailed breakdown of how it works along with circuit diagrams. I was able to match these diagrams to a real Sega Menacer receiver which provided the information I needed about which pins were used to control the receiver as the circuit diagrams in the patent document are not labelled.
Compatibility
This adaptor has been tested successfully with the following three games:
- Menacer 6-Game Cartridge (pack-in game bundled with the Sega Menacer hardware).
- T2: The Arcade Game
- Body Count
Circuit
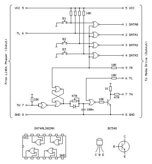
The adaptor uses two NOR gate chips for all of its logic. Two NOR gates are used to latch the pulse received from the Light Phaser and an RC circuit is used to delay this latched pulse to mimic the delay incurred by the wireless overhead in the real Sega Menacer hardware. When developing the circuit I found that it didn't always function reliably when using the CMOS logic chips I had to hand, but it worked well with TTL logic. As such I would recommend using SN74ALS02AN logic chips as I can confirm that they work.
The diode is less critical and the common 1N4001 works well. The transistor is not fussy, either, and a general-purpose NPN such as the BC548 should do the job well.
Calibration
One unusual aspect of the Sega Menacer is the delay incurred by the overhead of its wireless communications. Game software compensates for this delay, and if we don't replicate that in our wired adaptor the aim is off by a considerable margin!
The delay is introduced in the adaptor by the 470Ω variable resistor and 100nF capacitor in the path of the logic signal. In testing I found that a fixed 220Ω resistor had the aim pretty much dead-on, so a 470Ω variable resistor should provide enough range for adjustment with the correct setting falling somewhere in the middle of its range.
To calibrate the adaptor aim the Light Phaser at the centre of the screen and adjust the variable resistor until the aiming reticle in the game lines up horizontally with where the gun is aiming. Once you have adjusted that move the gun from left to right, checking that the gun's aim is tracked smoothly through a wide range of motion and that the gun is properly detected at both sides of the screen. If the aiming reticle jumps to the opposite side of the screen or fails to track smoothly when you're near the edges try adjusting the variable resistor back and forth until you have the broadest range of motion with as small a dead zone as possible.
Screen Brightness
The Sega Menacer has an unusually large lens and a particularly sensitive light sensor, with more of an emphasis on live tracking the gun's aim to draw a reticle over gameplay ("Accu-Sight") than you'd find on more traditional light guns. You may need to increase your screen's brightness or stand slightly closer to compensate if you are having difficulty with poor aim, though in my experience the Sega Light Phaser performs about as well at long distance and a "normal" screen brightness as the Sega Menacer itself.
One specific issue seems to be with the menu screen of the Menacer 6-Game Cartridge. On one of my TVs if I leave the brightness at its "normal" level shooting either of the bottom two options sometimes yields the following error message:
The screen is too dark.
Please increase the brightness
on the television and try again.
If brightness increase is not
satisfactory, check for low
batteries.
Increasing the brightness definitely helps, but bringing the gun closer and shooting nearer the top of the button can also help. Interestingly, once you get past the message I find I can turn the brightness right back down and use the gun from the other side of the room without any issues, so it does seem to be mostly specific to the game selection screen.
Journal Posts
The following journal posts are presented in chronological order and may provide some further information about how the adaptor works or tips for constructing it.
- Using a Master System Light Phaser in Mega Drive Menacer games
- Fixing the Menacer detection but breaking the accuracy of the aim tracking
- The completed Light Phaser to Menacer adaptor
- Adding some protective resistors to the Light Phaser to Mega Drive gun adaptors
Konami Justifier
The Konami Justifier is a wired controller that only provides one extra button ("Start") instead of three. Two simultaneous players are also supported by this gun, however instead of plugging both guns directly into the console there are separate "Player 1" and "Player 2" guns, where the blue "Player 1" gun plugs into the console and the pink "Player 2" gun plugs into a socket on the bottom of the blue "Player 1" gun.
Having to buy two specific types of gun makes this an expensive set to collect nowadays, but on the plus side their daisy-chained nature means we only need to build one adaptor for both guns instead of two separate units!
I would not have been able to build this adaptor without Eke-Eke's notes on Sega Genesis Lightguns or their resulting emulator source code which provided a lot of very useful information about the underlying protocol.
Compatibility
This adaptor has been tested successfully with the following games:
- Lethal Enforcers
- Lethal Enforcers II: Gun Fighters
Circuit
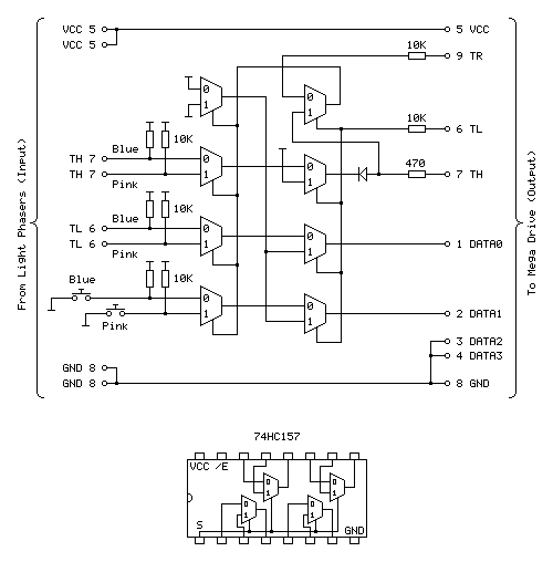
The adaptor can be implemented with two 74HC157 multiplexer chips for all of its logic. I tested the circuit with CD74HC157E and MC74HC157AN parts and they both performed identically well.
Each multiplexer chip has four multiplexers on it with a common select pin. In the diagram above the two columns of multiplexers correspond to the two multiplexer chips. The 74HC157 also has a global output enable pin that needs to be tied low to enable its outputs.
On the Sega Light Phaser side there are duplicated connections labelled "Blue" and "Pink" to correspond to the inputs from either the blue "Player 1" or pink "Player 2" guns.
The diode can be a common 1N4001.
Journal Posts
The following journal posts are presented in chronological order and may provide some further information about how the adaptor works or tips for constructing it.

